请输入您要查找的信息

热门关键词:

高分子滤膜 生命科学

返回产品列表

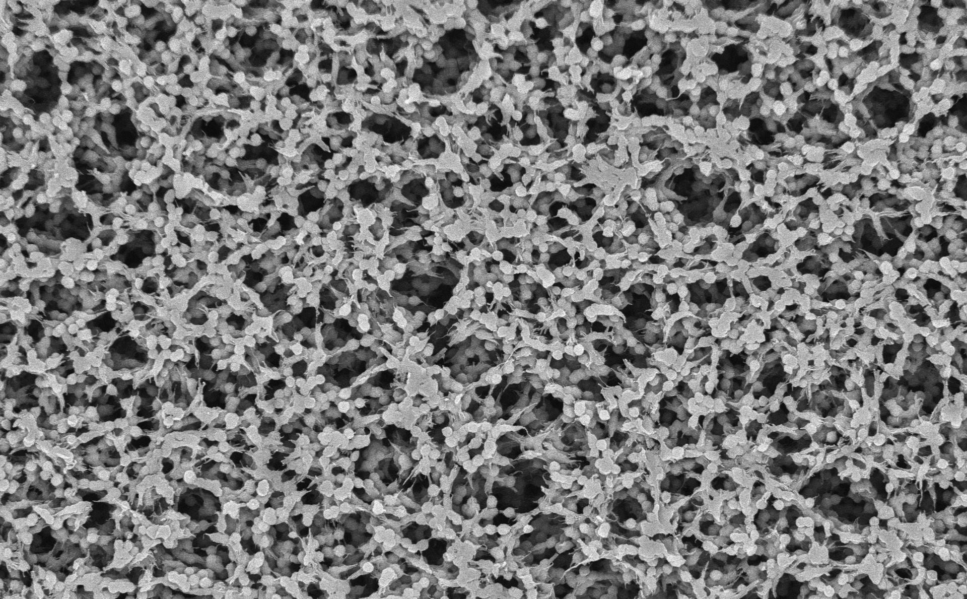
PVDF转印膜

蛋白质转印在免疫印迹分析中是重要的一环,通过将蛋白质转印到滤膜表面,经抗体结合、酶标或荧光素标记,可实现检测目标蛋白的目的。合域科技的PVDF转印膜具有极高的蛋白质结合载量,在蛋白质转移过程中捕获率高,能够最大程度地减少样品损失,使得最终信号易于检测。

产品特性

创新材料技术提高产品性能

  • 表面均匀平整光滑

  • 蛋白质载量高,结合率高

  • 孔径均一,条带清晰齐整

  • 高化学和热稳定性

  • 高机械强度和耐用性,可重复剥离使用

  • 低背景干扰

产品参数

卓越性能,品质保证

产品规格

规格齐全,灵活适配

相关文档

请留下您的基本信息
以便快速轻松地接收请求的下载。

我们承诺收集这些信息仅用于与您联系并帮助您更好地了解我们的产品特性。发送即表示您同意我们的隐私政策

联系

0571-88168670

咨询

留言

留言咨询

为生命医学与半导体等行业提供可靠滤膜解决方案

我们承诺收集这些信息仅用于与您联系并帮助您更好地了解我们的产品特性。发送即表示您同意我们的隐私政策